Comme l'a déjà dit Eric (volatyl) la confusion existe entre les diverses appellations de CX.
Mais pour s'y retrouver avec le stator c'est relativement simple : il existe deux types d'"allumages : CDI et batterie bobine.
Le premier nécessite un stator adaptable G47 reconnaissable à ses petites bobines différentes des autres comme ci dessous :

- G47.jpg (40.59 Kio) Vu 18050 fois
et le second nécessite un stator G 8 avec des bobines toutes identiques comme ci-dessous :

- g8.jpg (47.15 Kio) Vu 18050 fois
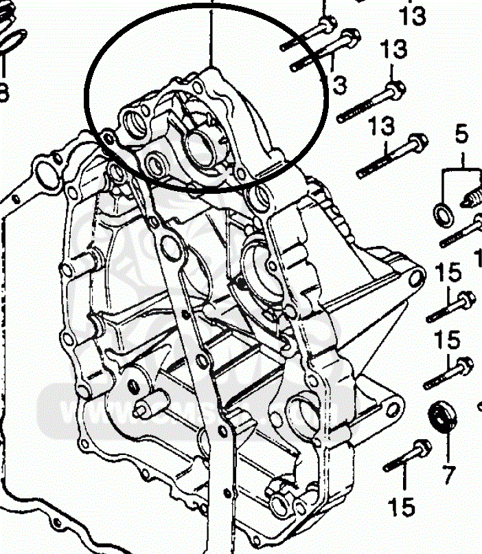
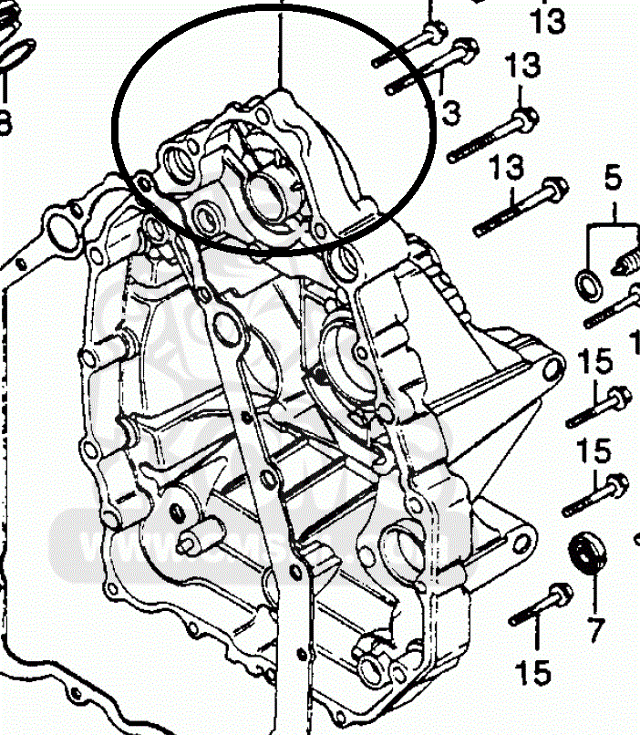
Pour reconnaitre quel stator va sur quel moteur il y a un truc tout simple : si le moteur possède une fixation venue de fonderie sur le carter arrière, il faut un G47 :

- carter CX.jpg (69.04 Kio) Vu 18050 fois
S'il n'a pas cette fixation, il faut un G8.

- honda-gl500-silverwing-1981-b-usa-rear-cover_bighu0172e1b14_7e5e.gif (140.8 Kio) Vu 18050 fois
Et ainsi, il n'est point besoin de se préoccuper ni de l'appellation ni de la cylindrée !


GAM : 250 BETA EVO trial, DARK KNIGHT : 500 CX CaféRacer, MALLOW : 500 CX routière, CHINA BLUE : 500 CX Custom, SIDONIE : 650 GL,
............ et FRIDA : BMW K100LT
+ MADO 650 CX E, LILY MARLEN BMW K 1200 GT et ZAZA BOLOGNESE DUCATI 998 superbike qui ne sont pas sur la photo.